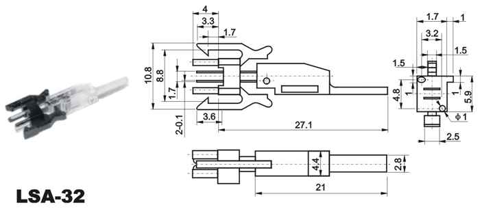
LSA-32
产品类别: 叶片/复位开关系列
产品名称: LSA-32
浏览次数: 39
叶片开关系列主要技术指针Specifications of leaf Switch series
使用率Rating
DC30V0.4A
耐压Withstand Voltage
AC150V for 1 minute
接触电阻Contact Resistance
30mΩmax.at 1a
动作力Actuating Force
30-120g
绝缘电阻Insulation Resistance
100MΩmin.at500vdc
寿命Life
100000次
关闭窗口