产品类别:
拨动开关系列
产品名称:
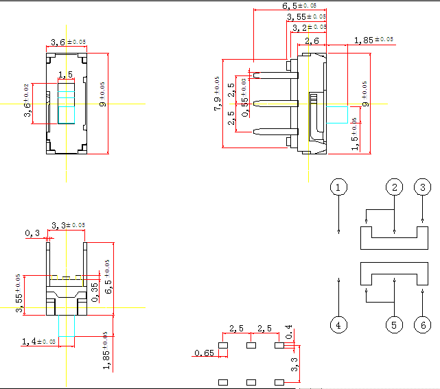
MSS-22D18(2P2T)
浏览次数:
160
【
关闭窗口
】
上一个:
MSS-23C02(2P3T)
下一个:
MSS-12D17(1P2T)
Copyright
©
东利电子有限公司 All Rights Reserved.