SK-01
产品类别: 拨动开关系列
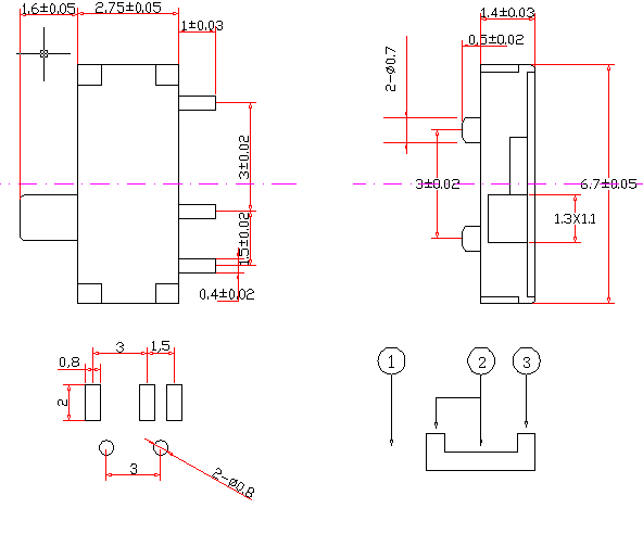
产品名称: SK-01
浏览次数: 75

关闭窗口