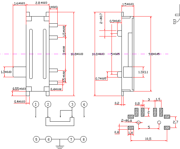
SK-01L
产品类别: 拨动开关系列
产品名称: SK-01L
浏览次数: 172

关闭窗口