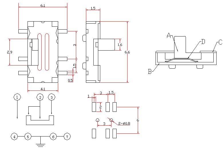
SS-07
产品类别: 拨动开关系列
产品名称: SS-07
浏览次数: 120
关闭窗口