产品类别:
拨动开关系列
产品名称:
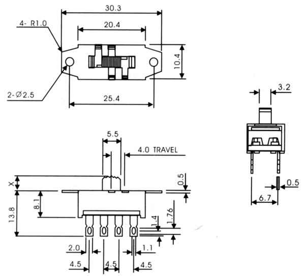
ACS-23H01(2P3T)
浏览次数:
23
〖
关闭窗口
〗