产品类别:
拨动开关系列
产品名称:
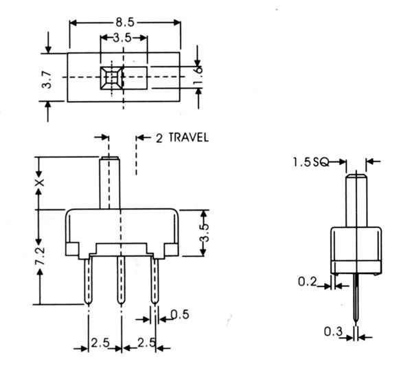
SS-12D00(1P2T)
浏览次数:
51
〖
关闭窗口
〗