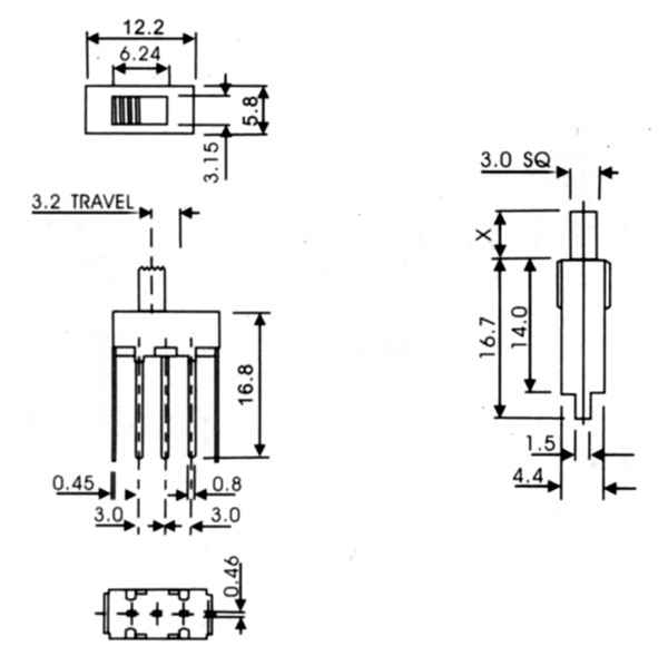
SS-12F24(1P2T)
产品类别: 拨动开关系列
产品名称: SS-12F24(1P2T)
浏览次数: 25
关闭窗口