SS-23F19(2P3T)
产品类别: 拨动开关系列
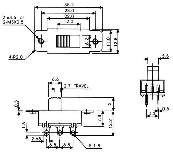
产品名称: SS-23F19(2P3T)
浏览次数: 27
关闭窗口