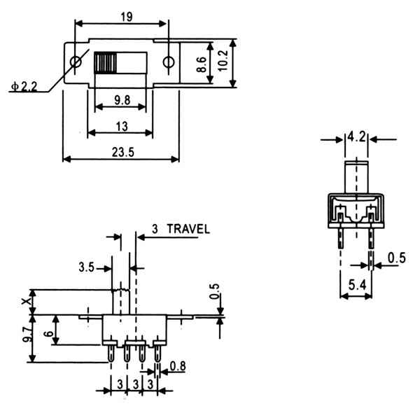
SS-23F24(2P3T)
产品类别: 拨动开关系列
产品名称: SS-23F24(2P3T)
浏览次数: 30
关闭窗口