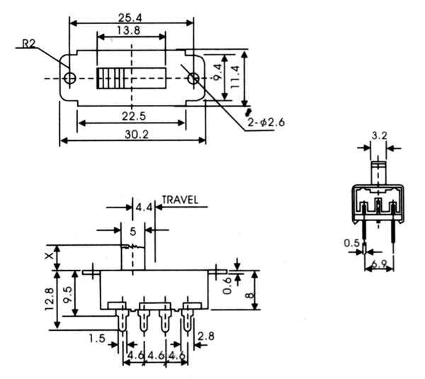
SS-23I01(2P3T)
产品类别: 拨动开关系列
产品名称: SS-23I01(2P3T)
浏览次数: 24
关闭窗口