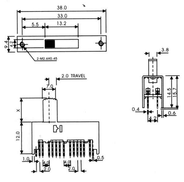
SS-64D01(6P4T)
产品类别: 拨动开关系列
产品名称: SS-64D01(6P4T)
浏览次数: 24
关闭窗口