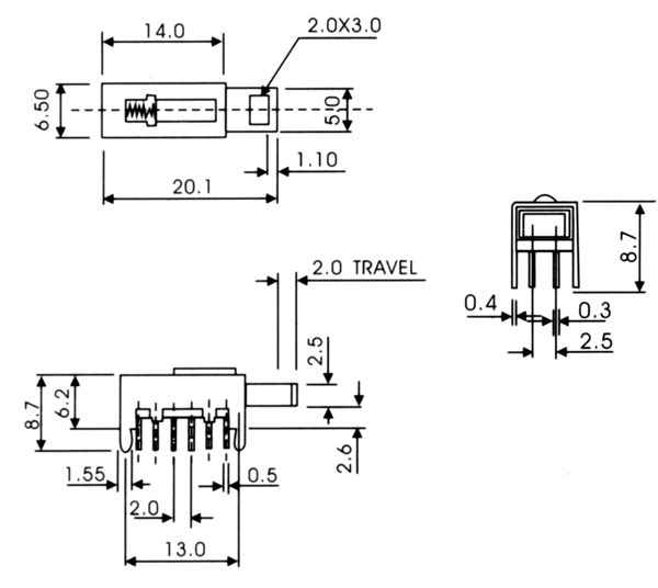
PS-42D02(4P2T)
产品类别: 拨动开关系列
产品名称: PS-42D02(4P2T)
浏览次数: 41
关闭窗口