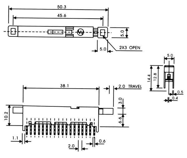
PS-62D01(6P2T)
产品类别: 拨动开关系列
产品名称: PS-62D01(6P2T)
浏览次数: 58
关闭窗口