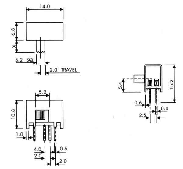
SK-22D21(2P2T)
产品类别: 拨动开关系列
产品名称: SK-22D21(2P2T)
浏览次数: 21
关闭窗口