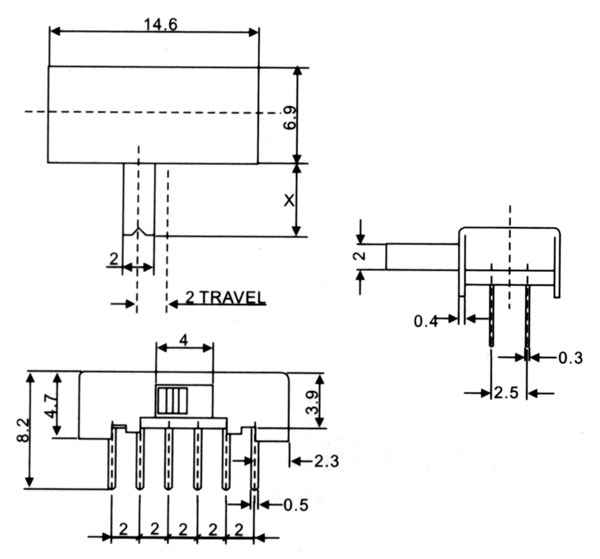
SK-42D03(4P2T)
产品类别: 拨动开关系列
产品名称: SK-42D03(4P2T)
浏览次数: 32
关闭窗口